产品分类

D1 系列

D1 系列

中盾紧固型 核心元件: MOV 33D 防爆型 Surge: 20/40, 30/60 kA 品种: 241k / 431k / 711k / 911k / 122k

1. 编码说明 / Part Number Code

AD1编码说明.png


2. 产品规格表 / Product Specification

AD1规格表(修改过).png

                        *具体可按规格书作业。


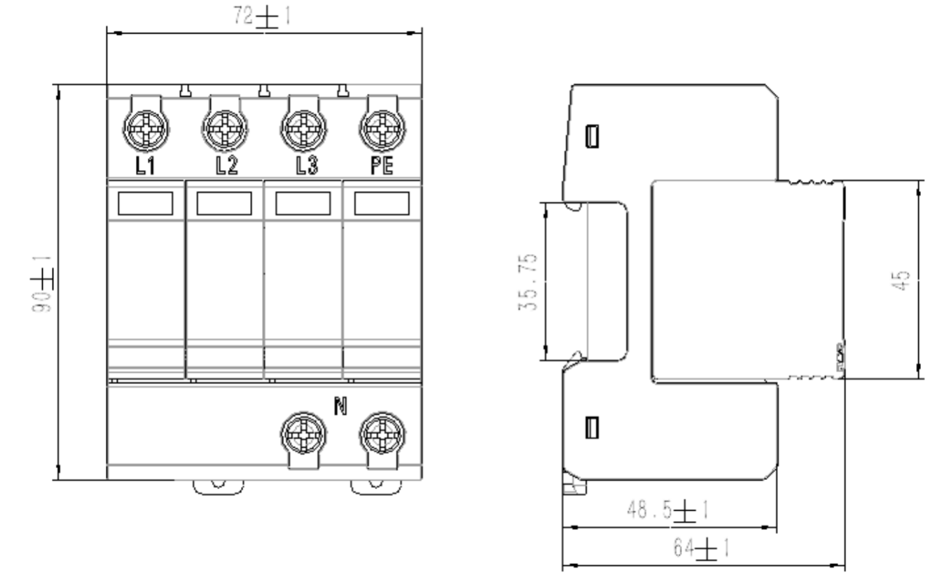
3. 产品尺寸图 / Product Size


AD1_4P_尺寸图.png

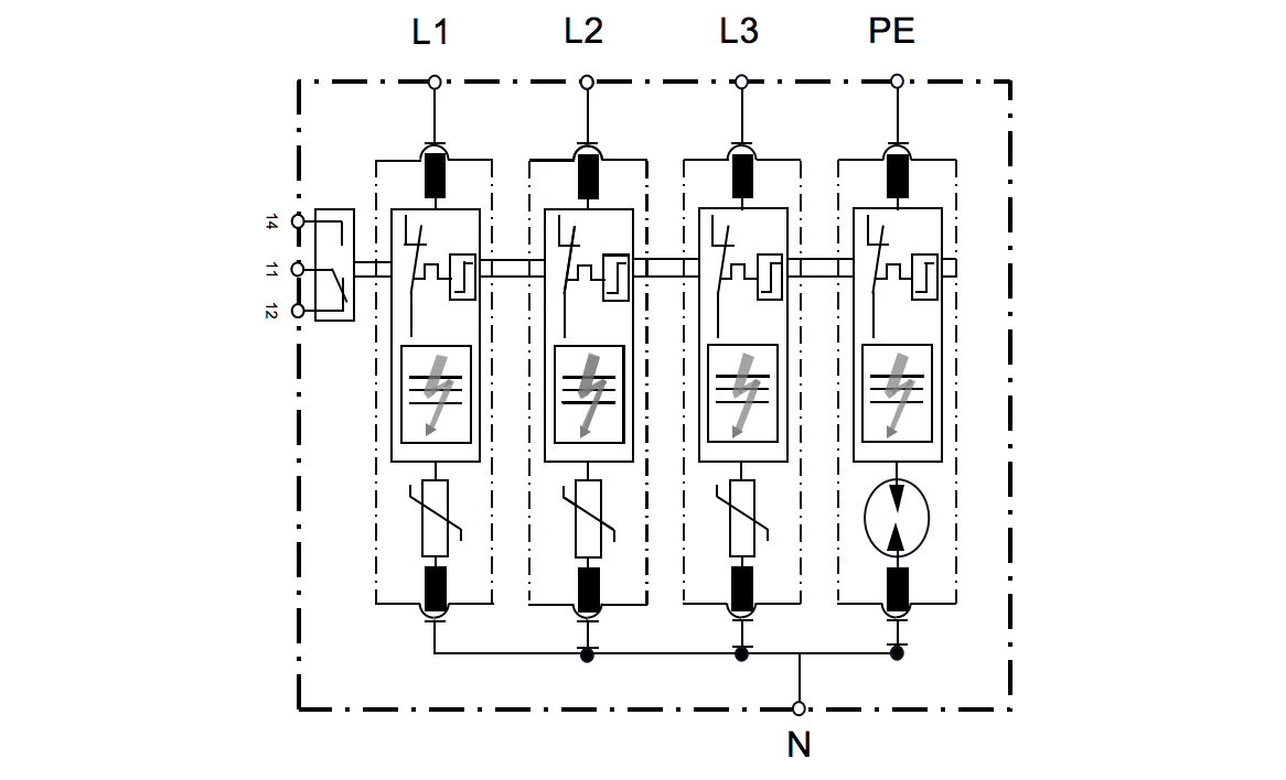
4. 电路原理图  / Schematic Diagram


AD1_3+1电路原理图.png