产品分类

O3 系列

O3 系列

OBO紧固型 应用: 1 / 2 / 3 / 4 / 3+1 有遥信 核心元件: MOV 33D 防爆型 Surge: T2: 20/40 kA 品类:任意

1. 编码说明 / Part Number Code

AO3编码规则.png


2. 产品规格表 / Product Specification

AO3规格表.png

                        *具体可按规格书作业。


3. 产品尺寸图 / Product Size

     其它组合尺寸详见资料表或规格书


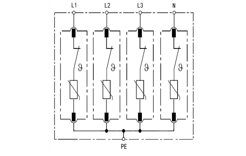
4. 电路原理图  / Schematic Diagram

O3_4P_电路原理图.png