产品分类

D5 系列

D5 系列

L盾型(光伏用) 核心元件: MOV 34S 遮断型 Surge(T1+T2): 20/40kA (8/20us) / 5kA(10/350us) Surge(T2): 20kA/ 40kA (8/20us) 品种: 任意

1. 编码说明 / Part Number Code

DD5编码说明.png


2. 产品规格表 / Product Specification

DD5规格表.png

                        *具体可按规格书作业。


3. 产品尺寸图 / Product Size

DD5尺寸图.png

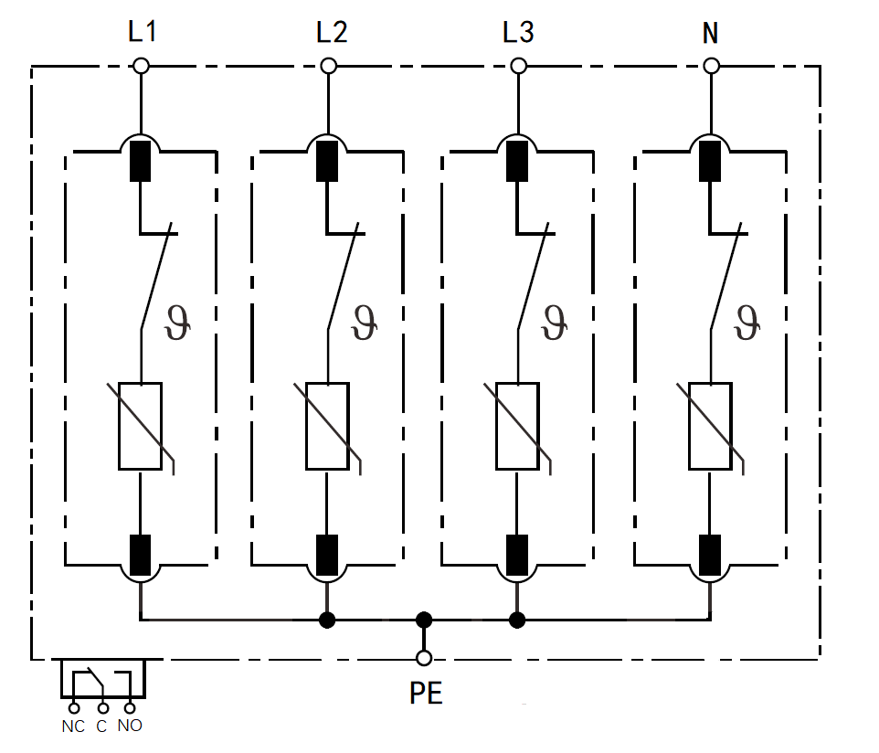
4. 电路原理图  / Schematic Diagram

AD4_4P电路原理图.png