产品分类

E1

E1

专利号: CN201921388723.8、CN201910785231.0 引流灭弧型 应用: 光伏专用 核心元件: MOV 34S Surge(T1+T2): 20/40kA(8/20us) / 2.0kA*(10/350us) Surge(T2): 20/40kA(8/20us) 品种: 431k / 621k / 711k / 751k / 821k / 951k / 102k / 112k

1. 编码说明 / Part Number Code

SPD编码规则.png


2. 产品规格表 / Product Specification

PE1规格表.png

                        *具体可按规格书作业。


3. 产品尺寸图 / Product Size

PE1尺寸图.png

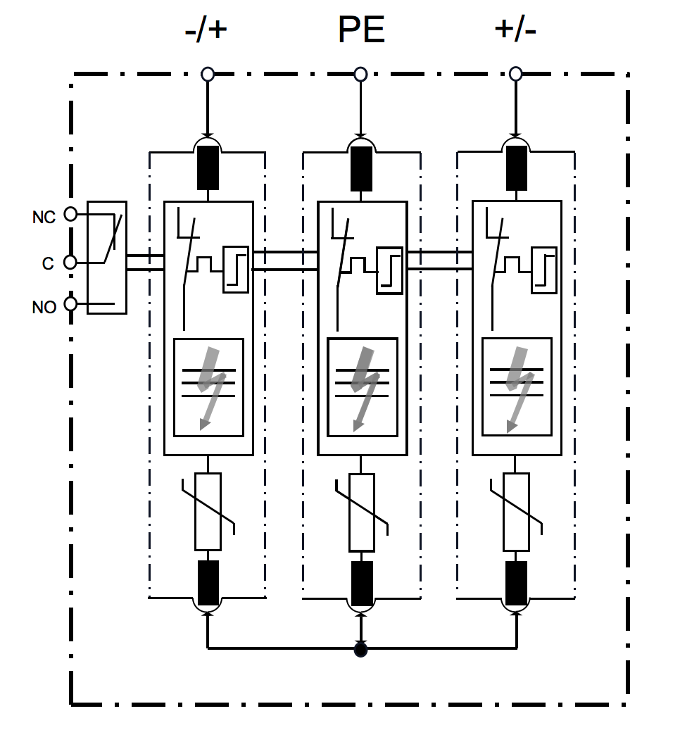
4. 电路原理图  / Schematic Diagram

PE1电路原理图.png